CP289C封装380/420 50Hz

sp - 092
Cryomech CP289C压缩包380/420 50hz
£29068 .00
现在预订

描述

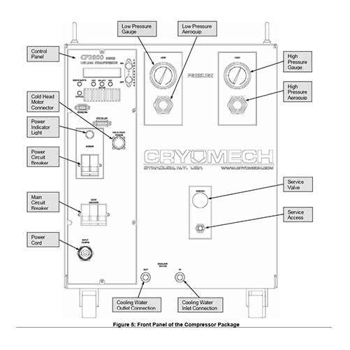
水冷式Cryomech CP289C压缩机包SP-091 PT410冷头。•压缩机包装:CP289C•水冷重量:295LB (134KG)•水冷尺寸:27 × 19 × 24.5in (69 × 48 × 62cm)•功耗50Hz(输入功率):380/420 VAC 3PH / 7.9kW•冷却水要求:2.3 GPM (9 LPM) @ 80°F(27°C)•柔性线路:66ft_20.1m•氦气压力:250±5 PSIG(17.2±.34 bar) @50Hz•环境温度范围:45°F至100°F(7至38°C)

最近查看的