牛津仪器集团的一部分狗万正网地址
扩大
崩溃
狗万正网地址
万博电脑网页版登录
产品
新闻
事件
联系
可持续性
投资者
职业生涯
新闻
事件
联系
在
在
投资者
职业生涯
生命科学
相机
EMCCD相机
sCMOS相机
低噪声CCD相机
超分辨率的相机
多波长成像
Ex-Demo相机
共焦显微镜
蜻蜓共焦显微镜
台式共焦显微镜
革命升级和Windows 10
显微镜的解决方案
光刺激方案
集成的激光引擎
低温恒温器的显微镜
控制软件
索利斯包
软件开发工具包
图像分析软件
伊万里瓷器包
伊万里瓷器免费试用
固美
万博电脑网页版登录
超便宜
癌症
细胞生物学
发育生物学
神经科学
单分子
病毒学
物理科学
相机
sCMOS相机
EMCCD相机
大的CCD相机
强化和门控摄像头
x射线和中子照相机
光谱相机
Ex-Demo相机
光谱学
摄谱仪的解决方案
产品重点:Kymera光谱仪
紫外到近红外和SWIR探测器
光谱学配件
光低温恒温器
光谱学用光学低温制冷机
显微光学冷冻器
产品重点:OptistatDry
控制软件
索利斯包
软件开发工具包
万博电脑网页版登录
先进材料
天文学
超便宜
化学
流体力学
金属,合金,复合材料和陶瓷
可再生能源
等离子体成像与光谱学
量子光学
断层摄影术
OEM
投资组合
科学的相机
光谱分析解决方案
软件
光低温恒温器
显微镜的解决方案
安道作为OEM合作伙伴
OEM合作伙伴
b2b专门人员
OEM产品及应用万博电脑网页版登录
生产和质量
一起成长
资源
学习中心
即将到来的网络研讨会
按需网络研讨会
案例研究
应用笔记
技术文章
工具
天文学的计算器
相机窗口选择器
氦成本计算器
决议计算器
信噪比计算器
第三方软件兼容性
下载
软件下载
司机
软件手册
用户手册
快速启动指南
代码片段
免费培训课程
显微镜培训课程
拉曼光谱学训练班
光谱学基础训练班“,
支持
服务和支持
支持请求
服务产品
LiveAssist
返回材料授权
有用的信息
寻找支持中心
出口管制及签证
环境政策
过时的政策
新闻
事件
联系
电子商务
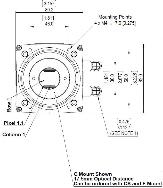
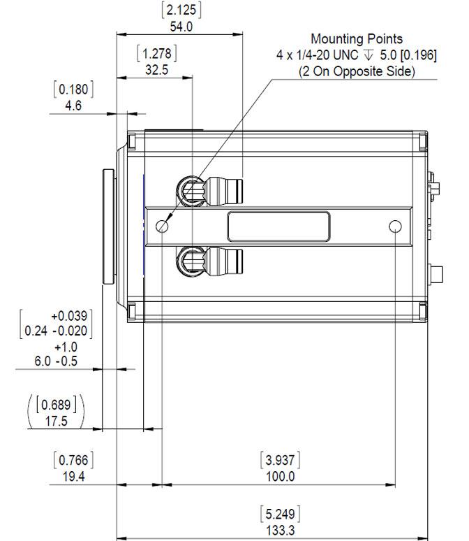
zla 4.2和5.5 sCMOS -水冷图纸
笔记
水龙头接受6毫米水管。2 x水适配器也提供接受1/4“软管..
USB3电缆的弯曲半径最小要留有70mm
在新选项卡中打开